
Descrição:
RDT17S-D7 é um monitor TFT 7″ a cores mãos livres, com seis teclas sensor de toque, ligação de 2 fios. Permite atender as chamadas das visitas em mãos livres e visualizar através ecrã 7 polegadas colorido com menu intuitivo, torna uma experiência fácil e simples para comunicação com a botoneira.
Compatível com os diversos modelos de botoneira para moradia ou apartamento da gama 2 Easy.
Características:
∙ Ecrã diagonal de 7” .
∙ Intercomunicação, chamada interna.
∙ Monitorização.
∙ Chamar a portaria.
∙ Possibilidade de adicionar 2ª fechadura (através do RDTRLC).
∙ Função de iluminação de escadas (através do RDTRLC).
∙ Botões com sensor de toque.
∙ Definições de toques distintos para a chamada.
∙ Função de divergir (através do RDTIPG).
∙ Função de memória (através do RDTIPG).
∙ Conetor para botão de patamar auxiliar.
Especificações:
∙ Alimentação: 20 ~ 28VDC
∙ Consumo: standby 6.6mA, em funcionamento 240mA
∙ Ecrã: 7” digital cores LCD
∙ Resolução ecrã: 800 x 480 pixels
∙ Sinal vídeo: 1Vp-p, 75Ω, CCIR standard
∙ Ligações: BUS 2 fios, sem polaridade
∙ Dimensões: 140(A) x 220(L) x 17,5(P)mm
∙ Peso bruto: 0,62Kg
Instalação:
∙ Usar os parafusos para fixar o suporte de instalação (acessórios incluídos).
∙ Ligar o sistema corretamente.
∙ Pendurar o monitor firmemente no suporte.

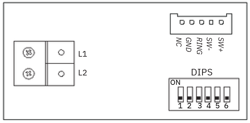
Descrição de terminais:
∙ L1,L2: Terminal linha BUS.
∙ SW+, SW-: Ligação para botão no patamar para chamada auxiliar.
∙ RING, GND: Ligação para besouro externo 12 VDC.
∙ DIP switches: Total 6 bits que podem ser configurados.
∙ Bit1~Bit5: Definição do código de utilizador.
∙ Bit6: Definir a ON se o monitor está no fim de linha.

Partes e funções :



